您好! 请登录  免费注册

0512-67537083

SMC

东工汇承诺

货期保障

正品行货

多仓直发

天天低价

品类齐全

专属客服

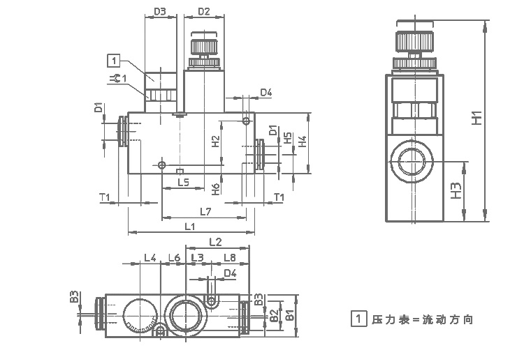
SMCSMC LRMA-QS-4 减压阀

原价: ¥140.00

品牌:SMC

东工汇订货号:DGH-6753

包装规格:1/件

库存:有库存

规格型号:LRMA-QS-4

起订量:1/件

出货周期:一周内发货

选择型号:
  • LRMA-QS-4
  0添加关注
订货号 产品名称 包装数量 预计出货日 销售价 数量
DGH-6753 SMC LRMA-QS-4 减压阀 1/件 一周内发货 ¥140.00
- +
已加载完全部 1 个产品
¥批量购买 批量加车
用户登录 用户注册 在线咨询 我的购物车 顶部