您好! 请登录  免费注册

0512-67537083

欧姆龙

东工汇承诺

货期保障

正品行货

多仓直发

天天低价

品类齐全

专属客服

欧姆龙欧姆龙 G3NB-225B-1 固态继电

原价: ¥100.00

品牌:欧姆龙

东工汇订货号:DGH-6951

包装规格:1/个

库存:有库存

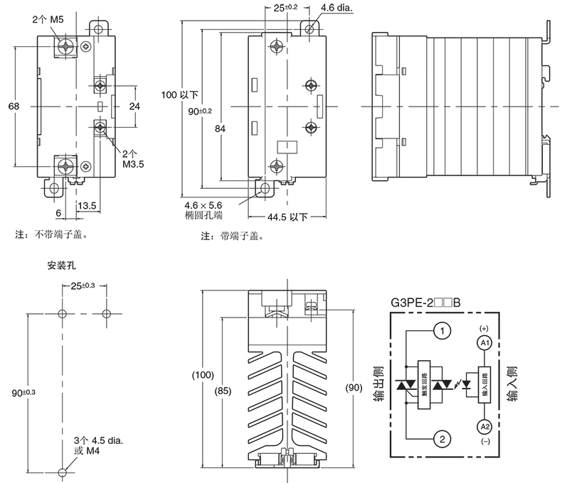
规格型号:G3NB-225B-1

起订量:1/个

出货周期:一周内发货

选择型号:
  • G3NB-225B-1
  0添加关注
订货号 产品名称 包装数量 预计出货日 销售价 数量
DGH-6951 欧姆龙 G3NB-225B-1 固态继电 1/个 一周内发货 ¥100.00
- +
已加载完全部 1 个产品
¥批量购买 批量加车
用户登录 用户注册 在线咨询 我的购物车 顶部